摘要:通过研究LabVIEW仿真软件在核电系统设备控制逻辑仿真中的应用,探索利用LabVIEW开展设备控制逻辑仿真,为涉及设备相关的工作提供风险分析支持,提高工作人员工作效率。同时探索利用设备控制逻辑仿真,提升培训中对系统控制逻辑的理解和学习,提高培训的效率。
关键词:设备控制逻辑;LabVIEW;仿真;风险分析
引言:LabVIEW是一种用图标代替文本行创建应用程序的图形化编程语言,提供了方便的建模和设计工具,其拥有专门用于控制领域的模块LabVIEW DSC,适用于检查设计假设,验证算法功能,规划和优化工艺流程。其拥有完善的工具箱,可以方便实现各种模拟测试、数字信号处理、自动化控制等领域的开发。在核电行业中,LabVIEW仿真可以应用于安全分析、控制与保护系统设计和验证、操纵员培训等方面,为有效地提高核电厂的安全性提供了坚强的技术保障。
一、核电设备逻辑仿真研究的意义
通过研究LabVIEW在核电系统设备逻辑仿真中的应用,对核电工艺系统逻辑图和模拟图中的控制逻辑进行仿真,实现工作人员通过系统设备逻辑仿真进行设备操作模拟操作,获得仿真结果。为设备操作或检修隔离等工作的风险分析和预防措施制定提供支持。同时在核电员工培训过程中,利用该LabVIEW仿真软件开发出系统设备逻辑仿真的操作性、可视化和仿真性,可以更形象有效地提升员工对系统控制逻辑的理解和学习,提高培训的效率。
二、核电设备逻辑仿真实施方案设计
利用虚拟现实图形化编程LabVIEW软件,来模拟核电机组的系统设备,设备间逻辑关系和系统运行过程,以实现一种虚拟的核电运行系统,供电厂运行和维修等工作人员学习和熟悉系统设备间的逻辑关系,跟踪和预测系统运行状态,提高他们对系统的熟悉程度,以及故障关联分析和风险预测能力。
利用LabVIEW前面板开发设计机组系统设备操作控制仿真画面,布设各设备仪表的功能流程简图、设备状态显示及其操作控件,主要包括仪表、泵、风机、阀门等设备的图形化表示,报警和仿真结果的显示,以方便核电工作人员的仿真控制操作和设备仿真状态监视。其中设备控件布置可来源于LabVIEW软件的DSC工具包,对于部分缺少的控件可以进行自定义制作。
利用LabVIEW程序面板开发设计机组系统设备控制逻辑仿真图,并在各系统设备间的逻辑连线布设“探针”,用于输出设备控制逻辑仿真值,用于设备仿真后果预测和关联分析。
三、核电设备控制逻辑仿真功能设计
(1)系统控制操作界面跳转和翻页功能
利用在LabVIEW前面板中,设置子面板控件,在当前VI的前面板上显示另一个VI的前面板,如在顶层VI的前面板上放置上一步和下一步按钮,并用子面板控件加载向导中每一步的前面板,在顶层VI前面板上放置不同的功能按钮,切换不同功能模块对应的子面板。
(2)系统初始化功能
通过LabVIEW软件开发图形用户界面,对每个设备(泵、风机、电加热器、开关阀门、仪表等)的初始状态进行初始赋值,初始状态参考当前机组系统设备的运行参数和状态进行赋值,赋值后可以保存。可以对于常见的模式和工况保存所有参数的初始值,即制定对应机组运行工况的标准模板,便于调用。
(3)设备仿真操作功能
通过对设备操作控制逻辑进行仿真,实现工作人员使用软件进行起停泵或风机、投退电加热器、开关阀门、对仪表进行赋值(手动输入、拖动滑动条方式)等改变设备状态的操作时,能够通过软件获得所进行的操作产生的后果(如引起设备联锁动作,产生的报警等)。设备仿真操作画面开发如下图所示:

图 1 基于 LabVIEW 仿真软件开发的风机操作功能控件
(4)设备仿真风险“后果预测”和“关联设备”功能
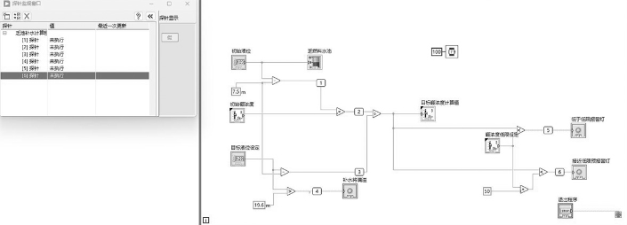
通过逻辑图模拟图中仪表、泵、风机、阀门等设备间的控制逻辑关系进行整理,对某设备可能触发的报警和逻辑动作后果归类为“后果预测”,对于和某设备逻辑上存在相与关系的其他设备归类为“关联设备”。基于此在开发时在前面板对仪表、泵、风机、阀门等设备控件的“说明与提示”项对设备逻辑进行文字说明,通过LabVIEW前面板的“帮助窗口”来对设备的“后果预测”和“关联设备”进行查看。通过“帮助窗口”中的“后果预测”以及“关联设备”,来获得某设备运行异常时存在的风险,以及获得和他逻辑相关联的设备信息。在开发软件时,通过在LabVIEW程序面板中逻辑图连线中设置探针,在仿真程序运行时,可实现在LabVIEW的程序面板中对设备逻辑连线图中的控制逻辑运行结果进行显示,即当某一设备参数超过阈值时能直接通过软件程序面板中直接查看到它下游所触发的阈值判断器、或门、与门等的输出结果,如下图所示。

图 2 系统设备程序框图中探针设置
四、结论
通过利用LabVIEW研究开发核电机组系统设备逻辑仿真软件,在工作前模拟、推演风险和制定预防措施,工作中遇到异常或故障情况时,进行风险分析评估,及时评价、制定和采取有效措施,快速干预处理异常,以规避设备逻辑误动引起的设备安全、工业安全、人身安全、核安全风险。同时在核电员工培训过程中,利用该仿真软件的模拟仿真可视化,可以更形象有效的提升员工对系统控制逻辑的理解和学习,提高培训的效率。对于保障机组、系统、设备安全可靠运行,提高机组经济效益,均有重大现实意义。
参考文献:
[1]严雨,夏宁.LabVIEW入门与实战开发100例[M].北京:电子工业出版社,2017.
[2]宋铭.LabVIEW编程详解[M].北京:电子工业出版社,2017.
(作者单位:福建福清核电有限公司 谷 铁)
